上一篇 下一篇 分享链接 返回 返回顶部

七氟丙烷控制主机接线图解析:掌握核心,确保消防系统稳定运行

发布人:烟火云官方客服 发布时间:2025-12-24 19:50 阅读量:222
Yanhuo IDC

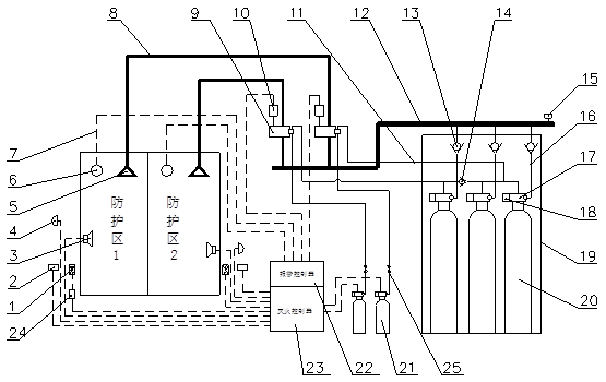
七氟丙烷控制主机接线图及其解析

一、引言

七氟丙烷控制主机接线图

在现代消防系统中,七氟丙烷控制主机是核心组件之一。理解其接线图对于确保系统正常运行、迅速应对火灾至关重要。本文将详细介绍七氟丙烷控制主机的接线图,帮助读者更好地理解并应用。

七氟丙烷控制主机接线图

二、七氟丙烷控制主机概述

七氟丙烷控制主机是一种用于控制和监测消防系统中七氟丙烷气体释放的核心设备。它负责接收火灾信号,根据预设程序控制气体灭火系统的启动和关闭。

七氟丙烷控制主机接线图

三、接线图详解

1. 电源接线

控制主机需要稳定的电源供应,电源接线图应清晰标识出火线、零线和地线。确保电源接线正确,以保证设备正常运行。

2. 信号输入输出接线

控制主机通过信号线接收火灾探测器的信号,并输出控制信号给相关设备。信号输入输出接线图应详细标注各接口的功能和连接方式。

3. 七氟丙烷钢瓶接线

控制主机通过特制接口与七氟丙烷钢瓶连接,控制气体的释放。这部分接线图应明确标识出接口的位置、规格和连接方式。

4. 反馈信号接线

设备在运行过程中会产生各种反馈信号,如启动信号、停止信号等。反馈信号接线图应确保这些信号能准确传输到控制主机。

四、接线注意事项

  1. 接线前应详细阅读设备说明书,了解设备电气参数和接线要求。
  2. 确保接线正确无误,特别是电源线和信号线,避免短路和断路。
  3. 接线完成后,应进行绝缘测试和功能测试,确保设备正常运行。

五、结语

七氟丙烷控制主机的接线图是消防系统安装和维护的重要环节。掌握接线图的解析方法,对于确保消防系统的正常运行具有重要意义。希望本文的解析能帮助读者更好地理解七氟丙烷控制主机的接线图,从而正确应用和维护消防系统。

高速稳定云服务器9.9元起
目录结构
全文
QQ通知群 QQ通知群
微信公众号 微信公众号
电子邮箱: service@yanhuoidc.com