上一篇 下一篇 分享链接 返回 返回顶部

源主机向目的主机发送数据包:情境分析与条件探讨

发布人:烟火云官方客服 发布时间:2025-12-18 06:30 阅读量:224
Yanhuo IDC

源主机发送数据包至目的主机时的情况分析

在计算机网络中,源主机向目的主机发送数据包是一个常见的通信过程。这一过程涉及多种因素,其成功发送依赖于网络配置、网络协议、数据包格式等多个方面的条件。下面将详细介绍这些情况下的数据包发送过程。

源主机发送数据包至目的主机时什么情况下

一、网络配置

首先,网络配置是数据包发送的基础。源主机和目的主机必须在同一个网络中或者网络间存在正确的路由设置。源主机需要知道目的主机的IP地址或其他标识信息,以便能够准确地发送数据包到目标位置。此外,网络中的交换机、路由器等设备也需要正确配置,以确保数据包能够正确转发。

源主机发送数据包至目的主机时什么情况下

二、网络协议

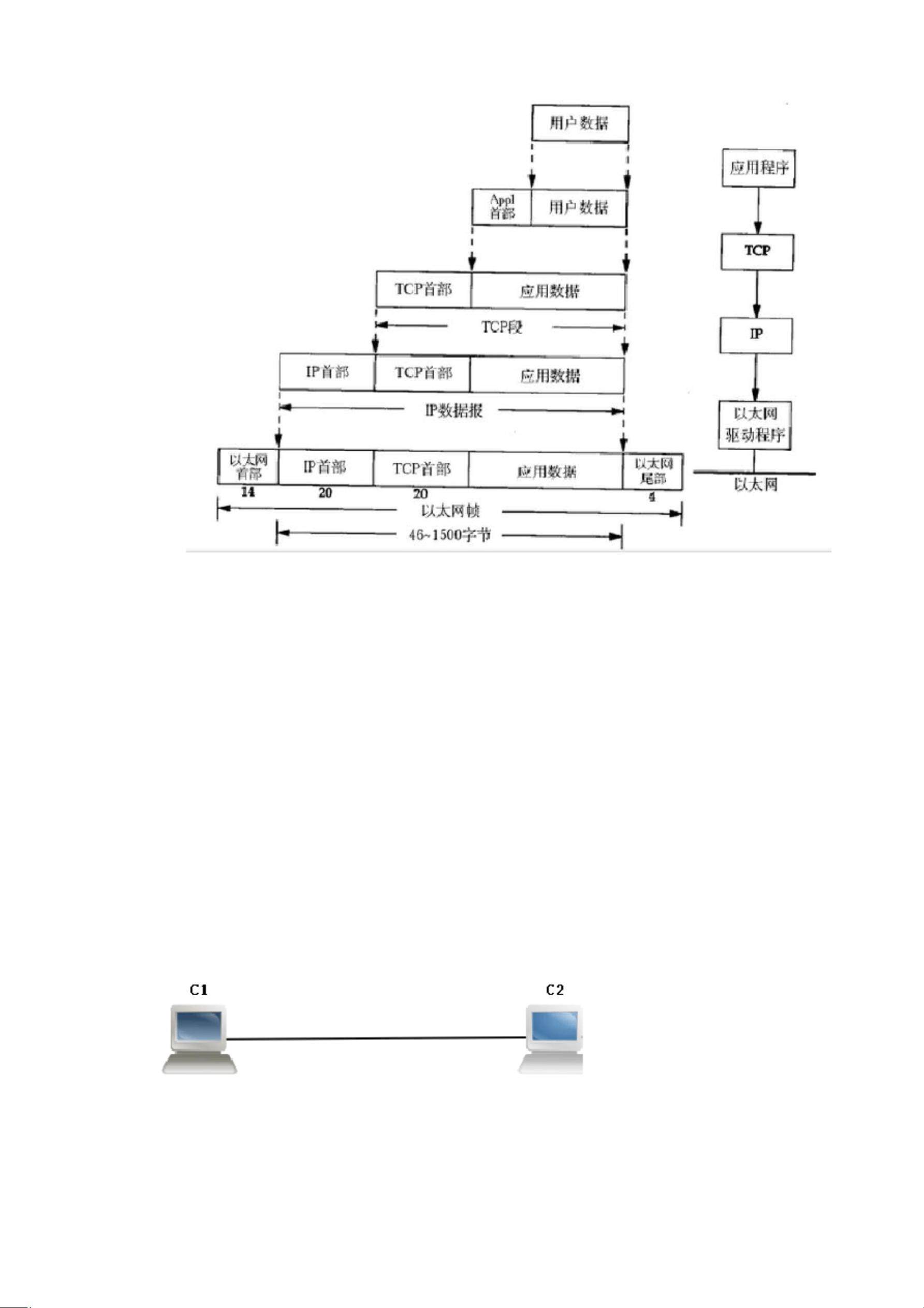
其次,网络协议是数据包发送的关键。源主机和目的主机之间需要遵循相同的网络协议,如TCP/IP协议族中的TCP协议用于确保数据传输的可靠性和顺序性。在发送数据包时,源主机需要根据协议规定的数据包格式进行封装,包括源地址、目的地址、端口号等信息。同时,数据包还需要根据网络状况进行必要的调整,如根据拥塞情况调整发送速率等。

源主机发送数据包至目的主机时什么情况下

三、数据包格式

数据包格式对于数据包的发送和接收至关重要。一般来说,数据包包含头部和载荷两部分。头部包含源地址、目的地址、端口号等控制信息,用于路由选择和寻址;载荷部分则包含实际的数据内容。源主机在发送数据包时,需要将数据按照规定的格式进行封装,以便目的主机能够正确解析和接收。

四、异常情况处理

在实际的网络通信过程中,可能会遇到各种异常情况,如网络延迟、丢包、重传等。为了应对这些情况,源主机需要采取一定的策略,如使用TCP协议的重传机制、流量控制等,以确保数据包的可靠传输。此外,网络管理员还需要对网络进行监控和管理,及时发现并解决网络故障和安全问题。

总之,源主机发送数据包至目的主机时的情况涉及多个方面,包括网络配置、网络协议、数据包格式以及异常情况处理等。在实际应用中,需要根据具体情况进行综合考虑和优化,以确保网络通信的可靠性和效率。

高速稳定云服务器9.9元起
目录结构
全文
QQ通知群 QQ通知群
微信公众号 微信公众号
电子邮箱: service@yanhuoidc.com